IGBTモジュール
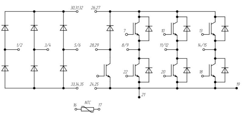
IGBT MIRA-IRB12LA-150N
IGBTモジュール
| VCES [V]: | 1200 |
| ICnom [A]: | 150 |
| テクノロジー: | Trench-FS |
| 構成: | インバータ、整流器、ブレーキチョッパ |
| 資格: | Industrial |
| 寸法 (幅/長さ) [mm]: |
MIRA (62/122) |
| 生産の確認(719年法令): | 登録簿に登録 |
- 文書と証明書
- データシート IGBT MIRA-IRB12LA-150N
- 説明
Low Inductance IGBT Module MIRA-IRB12LA-150N with 17 mm Height Housing. IGBT module with blocking voltage 1200V and current 150A. IGBT MIRA-IRB12LA-150N has copper baseplate, improved thermal cycling and integrated temperature sensor.
- 用途
Low Inductance IGBT Module MIRA-IRB12LA-150N successful used in AC motor drives, invertors and power supplies.




